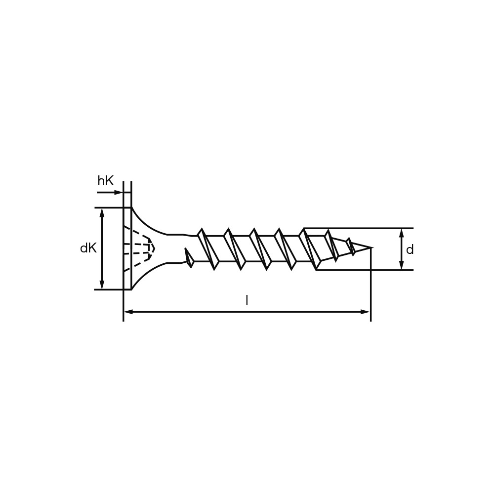
MAG.SBS GG NADELSP.PHOS.3,9X25

(MAG.SBS GG NADELSP.PHOS.3,9X25)